Building Summary

Data last updated on: 10/20/2025     Ownership current as of: 10/17/2025     Tax Year: 2026
REID 88586

PIN # 4686-49-6123

Location Address Property Description
717 CROMWELL DR LYNDALE EAST LO:6 SE:5 BL:H
   
Property Owner Owner's Mailing Address
GRIFFIN, LINDSEY RAY;GRIFFIN, JAMISON SUTTON
717 CROMWELL DR
GREENVILLE NC 27858
Parcel
Buildings
Misc Improvements
Land
Deeds
Notes
Sales
Photos
Tax Bill
Map
Building Location Address
717 CROMWELL DR
Building Description
01-SFR
Card   of  1
Bldg Type 01-SFR-CONST
Units 1
Living Area (SQFT) 2952
Number of Stories 1.15
Style 1.5-Story
Foundation SPRDFOOT
Exterior FACE-BRK
Const Type Hip
Heating FORCED-AIR-DUCTED
Air Cond CENTRAL
Plumbing Baths (Full):   3
Baths (Half):   1
Extra Fixtures:   0
Total Plumbing Fixtures:   11 
Bedrooms 3
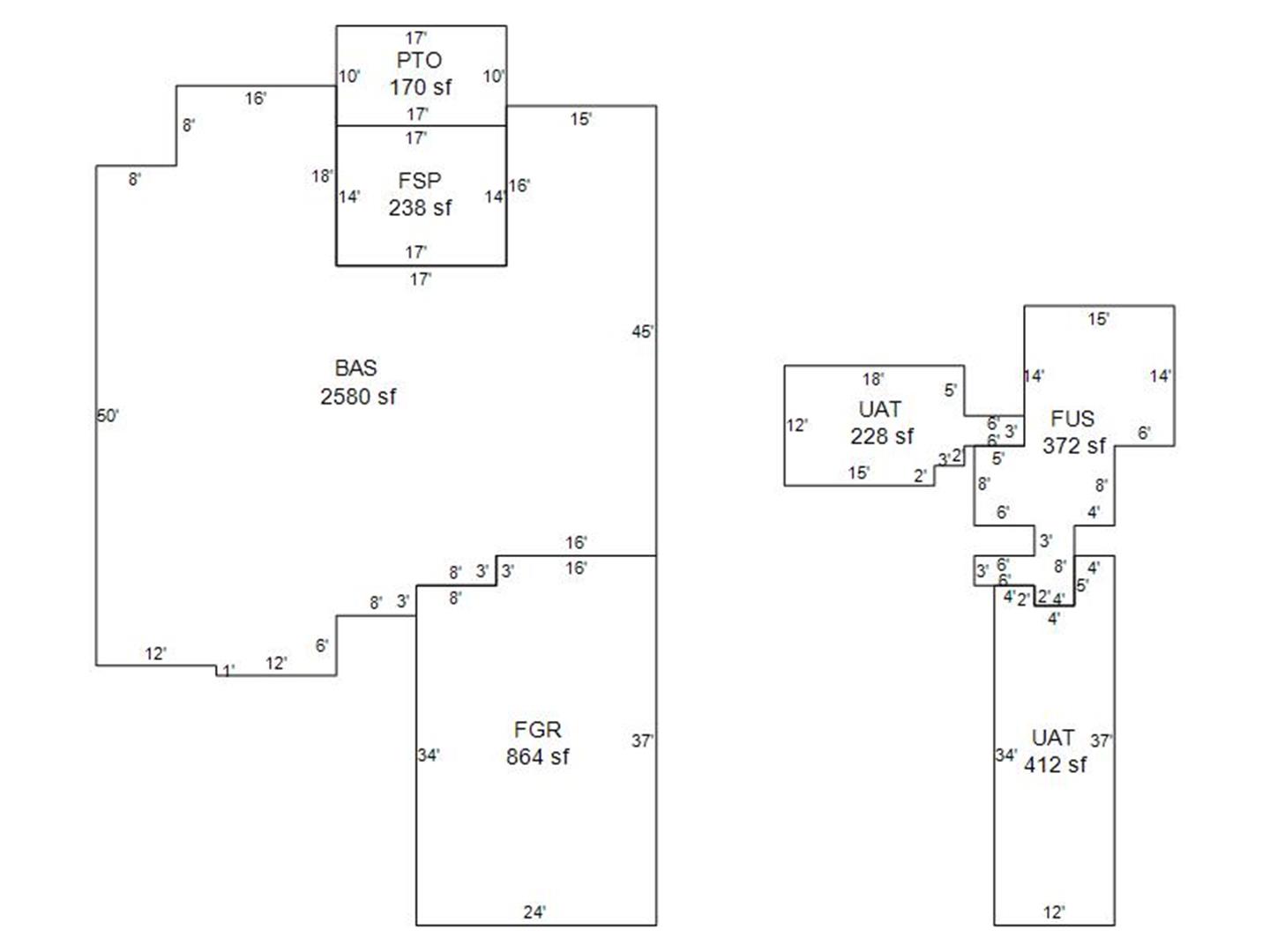
Main Body (SQFT) 2580
Year Built 2025
Additions 6
Effective Year 2025
Remodeled 0
Interior Adj.
Other Features
Building Total & Improvement Details

Grade B+5 135.69%
Percentage Complete 100
Total Adjusted Replacement Cost New $568,283
Physical Depreciation (% Bad) 0%
Depreciated Value $562,600
Economic Depreciation (% Bad) 0%
Functional Depreciation (% Bad) 0%
Total Depreciated Value $562,600
Market Area Factor 1.00
Building Value $562,600
Misc Improvements Value
Total Improvement Value $562,600

Assessed Land Value $90,000
   
Assessed Total Value $652,600



Addition Summary 
StoryTypeCodeArea
1.00 FINISHED GARAGE FGR 864
1.00 FINISHED SCREEN PORCH FSP 238
1.00 PATIO PTO 170
1.00 UNFINISHED ATTIC UAT 412
1.00 FINISHED UPPER STORY FUS 372
1.00 UNFINISHED ATTIC UAT 228
 
Other Improvements 
 


Building Sketch
Photograph
Building Sketch Building Photo
(Click sketch for bigger image)