Building Summary

Data last updated on: 9/29/2025     Ownership current as of: 9/26/2025     Tax Year: 2025
REID 86425

PIN # 5606-99-3434

Location Address Property Description
518 ALTON VILLAGE DR ALTON VILLAGE LO:21 & 22 SE:2
   
Property Owner Owner's Mailing Address
OVERSTREET, GREGORY WILLIAM;OVERSTREET, KARA GRUBBS
518 ALTON VILLAGE DR
GREENVILLE NC 27858
Parcel
Buildings
Misc Improvements
Land
Deeds
Notes
Sales
Photos
Tax Bill
Map
Building Location Address
518 ALTON VILLAGE DR
Building Description
01-SFR
Card   of  1
Bldg Type 01-SFR-CONST
Units 1
Living Area (SQFT) 2547
Number of Stories 1.60
Style Conventional
Foundation SPRDFOOT
Exterior BRICK/VINYL
Const Type
Heating FORCED-AIR-DUCTED
Air Cond CENTRAL
Plumbing Baths (Full):   3
Baths (Half):   0
Extra Fixtures:   0
Total Plumbing Fixtures:   9 
Bedrooms 0
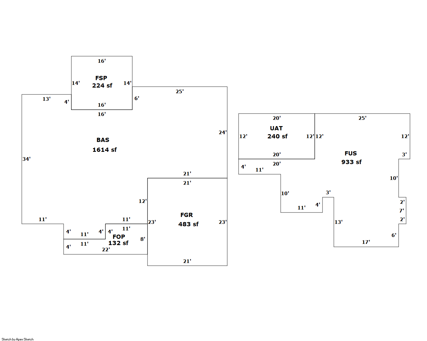
Main Body (SQFT) 1614
Year Built 2019
Additions 6
Effective Year 2019
Remodeled 0
Interior Adj.
Other Features
Building Total & Improvement Details

Grade B -1 118.38%
Percentage Complete 100
Total Adjusted Replacement Cost New $408,330
Physical Depreciation (% Bad) 0%
Depreciated Value $391,997
Economic Depreciation (% Bad) 0%
Functional Depreciation (% Bad) 0%
Total Depreciated Value $391,997
Market Area Factor 1.00
Building Value $391,997
Misc Improvements Value $1,500
Total Improvement Value $393,497

Assessed Land Value $35,303
   
Assessed Total Value $428,800



Addition Summary 
StoryTypeCodeArea
1.00 FINISHED GARAGE FGR 483
1.00 FINISHED SCREEN PORCH FSP 224
1.00 FINISHED OPEN PORCH FOP 132
1.00 FINISHED UPPER STORY FUS 933
1.00 UNFINISHED ATTIC UAT 240
1.00 Partly Unfinished ATTF 242
 
Other Improvements 
UnitsDescriptionItemCodeYear% BadValue
10x16 DIMENSIONS SHELTER AVERAGE 2022 4 1500
 


Building Sketch
Photograph
Building Sketch Building Photo
(Click sketch for bigger image)