Building Summary

Data last updated on: 10/17/2025     Ownership current as of: 10/17/2025     Tax Year: 2025
REID 74310

PIN # 4685-34-0528

Location Address Property Description
2236 FRANKLIN DR Canterbury LO:171 PH:3 SE:6 PL:MB64-25
   
Property Owner Owner's Mailing Address
SCONIERS, GINNY LYNN ZEEMAN
2236 FRANKLIN DR
WINTERVILLE NC 28590
Parcel
Buildings
Misc Improvements
Land
Deeds
Notes
Sales
Photos
Tax Bill
Map
Building Location Address
2236 FRANKLIN DR
Building Description
01-SFR
Card   of  1
Bldg Type 01-SFR-CONST
Units 1
Living Area (SQFT) 2463
Number of Stories 1.45
Style Conventional
Foundation SPRDFOOT
Exterior Alum/Vinyl-Sid
Const Type
Heating FORCED-AIR-DUCTED
Air Cond CENTRAL
Plumbing Baths (Full):   3
Baths (Half):   0
Extra Fixtures:   0
Total Plumbing Fixtures:   9 
Bedrooms 0
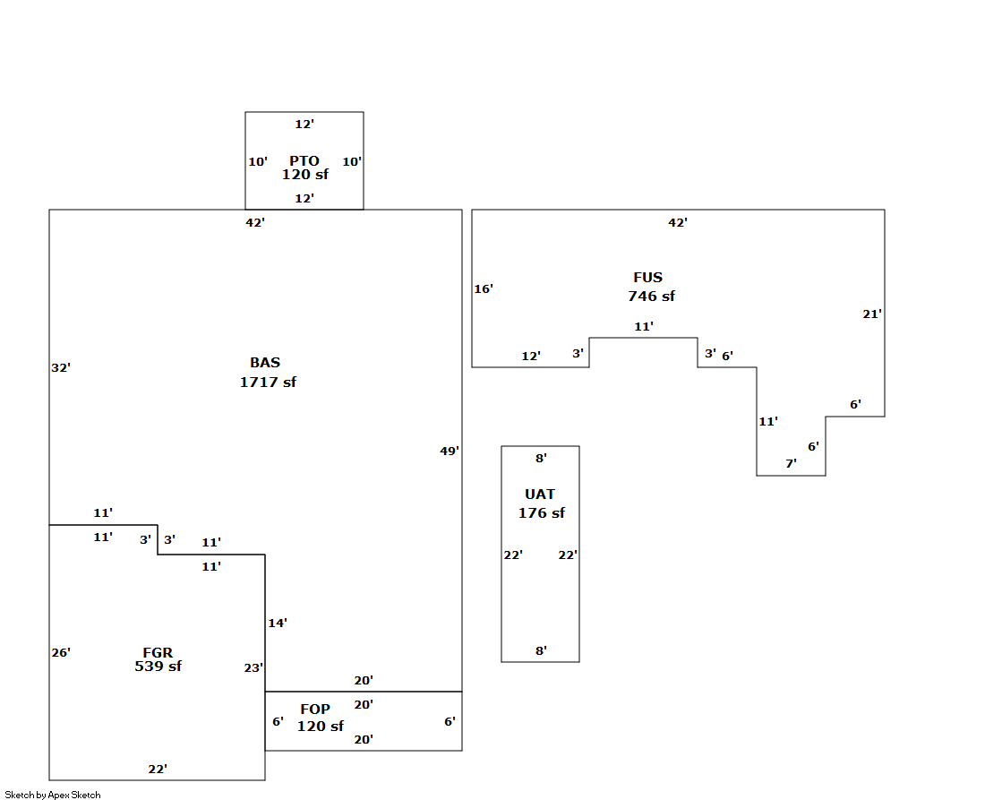
Main Body (SQFT) 1717
Year Built 2018
Additions 6
Effective Year 2018
Remodeled 0
Interior Adj.
Other Features
Building Total & Improvement Details

Grade C+5 107.35%
Percentage Complete 100
Total Adjusted Replacement Cost New $342,451
Physical Depreciation (% Bad) 0%
Depreciated Value $328,753
Economic Depreciation (% Bad) 0%
Functional Depreciation (% Bad) 0%
Total Depreciated Value $328,753
Market Area Factor 1.00
Building Value $328,753
Misc Improvements Value
Total Improvement Value $328,753

Assessed Land Value $40,000
   
Assessed Total Value $368,753



Addition Summary 
StoryTypeCodeArea
1.00 FINISHED GARAGE FGR 539
1.00 FINISHED OPEN PORCH FOP 120
1.00 PATIO PTO 120
1.00 FINISHED UPPER STORY FUS 746
1.00 UNFINISHED ATTIC UAT 176
1.00 Partly Unfinished ATTF 172
 
Other Improvements 
 


Building Sketch
Photograph
Building Sketch Building Photo
(Click sketch for bigger image)