Building Summary

Data last updated on: 10/20/2025     Ownership current as of: 10/17/2025     Tax Year: 2025
REID 72602

PIN # 4674-68-5610

Location Address Property Description
2700 GREGORY CT BAREFOOT LANDING LO:123 PH:2 SE:4
   
Property Owner Owner's Mailing Address
SMITH, ROSHANDA D
2700 GREGORY CT
WINTERVILLE NC 28590
Parcel
Buildings
Misc Improvements
Land
Deeds
Notes
Sales
Photos
Tax Bill
Map
Building Location Address
2700 GREGORY CT
Building Description
01-SFR
Card   of  1
Bldg Type 01-SFR-CONST
Units 1
Living Area (SQFT) 1601
Number of Stories 1.00
Style 1.5-Story
Foundation SPRDFOOT
Exterior BRICK/VINYL
Const Type
Heating FORCED-AIR-DUCTED
Air Cond CENTRAL
Plumbing Baths (Full):   2
Baths (Half):   0
Extra Fixtures:   0
Total Plumbing Fixtures:   6 
Bedrooms 3
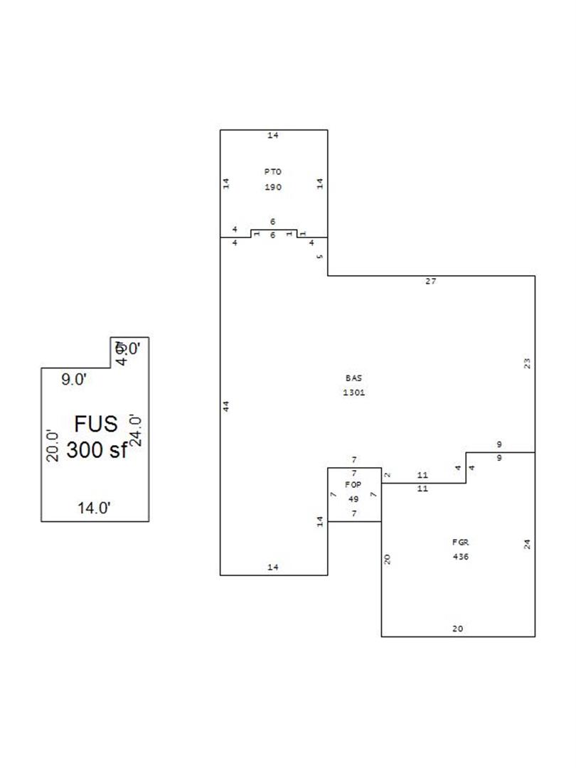
Main Body (SQFT) 1301
Year Built 2007
Additions 4
Effective Year 2007
Remodeled 0
Interior Adj.
Other Features
Building Total & Improvement Details

Grade C +1 111.03%
Percentage Complete 100
Total Adjusted Replacement Cost New $257,522
Physical Depreciation (% Bad) 0%
Depreciated Value $218,894
Economic Depreciation (% Bad) 0%
Functional Depreciation (% Bad) 0%
Total Depreciated Value $218,894
Market Area Factor 1.00
Building Value $218,894
Misc Improvements Value
Total Improvement Value $218,894

Assessed Land Value $40,000
   
Assessed Total Value $258,894



Addition Summary 
StoryTypeCodeArea
1.00 FINISHED OPEN PORCH FOP 49
1.00 FINISHED GARAGE FGR 436
1.00 PATIO PTO 190
1.00 Finished room over garage FROG 300
 
Other Improvements 
 


Building Sketch
Photograph
Building Sketch Building Photo
(Click sketch for bigger image)